製品
400-820-9728
製品カテゴリー
ホース
接頭
油圧機器
流体制御バルブ部品
硬管

Menu

製品
ホース
接頭
400-820-9728

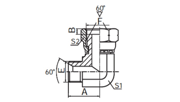
KF2B9

90°エルボ 英国管外ネジ 60°内コーン/英国管内ネジ 60°外コーン

フィルター:
注文番号 螺纹 E 螺纹 F 螺纹 G A B C D L S1 S2 O-ring F-end 管の直径 Rubber pad E end Rubber pad F end Seal F-end


● 材質:炭素鋼/ステンレス鋼

● 高強度、耐腐食性、耐高圧性に優れた素材

● さまざまな過酷な産業環境に適しています

● 優れた密閉性能により、漏れをゼロにし、機器に長期にわたる安定した接続を提供します。