製品
400-820-9728
製品カテゴリー
ホース
接頭
油圧機器
流体制御バルブ部品
硬管

Menu

製品
ホース
接頭
400-820-9728

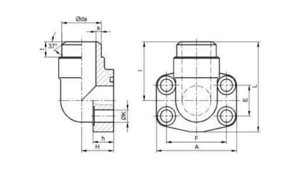
AFW

AFW 溶接式全体 SAE 直角L字フランジ

フィルター:
注文番号 フランジ型 DN 内径 (inch) 最大作業圧力 (bar) A B C D H L S1 E specification O-rings bolt d D1 L1 L2 L3 L4 L5 重量 KG D3 I h d1 圧力レベル MPa M N F K G DaxS LA DB


● 材質:炭素鋼/ステンレス鋼

● 高強度、耐腐食性、耐高圧性に優れた素材

● さまざまな過酷な産業環境に適しています

● 優れた密閉性能により、漏れをゼロにし、機器に長期にわたる安定した接続を提供します。